Kroužek lemový, DIN 2642, PN10, 1.4571: 54,0 x 3,0
Nerezový lemový kroužek dle DIN 2642, pro trubku 54x3mm, jakost 1.4571.
Jakost 1.4571
Pro průměr trubky 54,00 mm
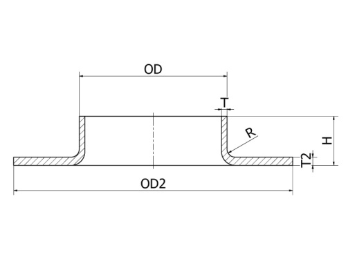
H 20,00 mm
T 3,50 mm
T2 3,00 mm
OD2 102,00 mm
OD 54,00 mm
Máme největší výběr nerezového materiálu skladem.
Plechy řežeme do konkrétních tvarů.
Tyčový materiál dělíme dle potřeby.
Rádi Vám poradíme s výběrem.