T-kus dlouhý-EN 10253-1.4301/7: 26,9x2,0 (F=58,0)

T-kus dlouhý-EN 10253-1.4301/7: 26,9x2,0 (F=58,0)

Katalogové číslo: TR-026-020-1

Jakost: 1.4301

Dostupnost: Na dotaz
ks
 
Poptat
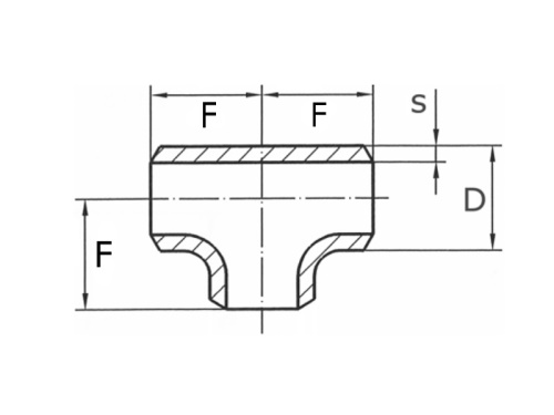
Jakost 1.4301
Stěna (s) 2,00 mm
Vnější průměr (D) 26,90 mm
F-strana 58,00 mm
Máme největší výběr nerezového materiálu skladem.
Plechy řežeme do konkrétních tvarů.
Tyčový materiál dělíme dle potřeby.
Rádi Vám poradíme s výběrem.