T-kus dlouhý-EN 10253-1.4301/7: 76,1x2,0 (F=152,0)

T-kus dlouhý-EN 10253-1.4301/7: 76,1x2,0 (F=152,0)

Katalogové číslo: TR-076-020-1

Jakost: 1.4301

Dostupnost: Na dotaz
ks
 
Poptat
Jakost 1.4301
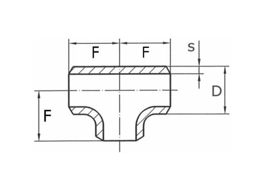
Stěna (s) 2,00 mm
Vnější průměr (D) 76,10 mm
F-strana 152,00 mm
Máme největší výběr nerezového materiálu skladem.
Plechy řežeme do konkrétních tvarů.
Tyčový materiál dělíme dle potřeby.
Rádi Vám poradíme s výběrem.