T-kus dlouhý-EN 10253-1.4404: 129,0x2,0 (F=230,0)

T-kus dlouhý-EN 10253-1.4404: 129,0x2,0 (F=230,0)

Katalogové číslo: TR-129-020-N

Jakost: 1.4404

Dostupnost: Na dotaz
ks
 
Poptat
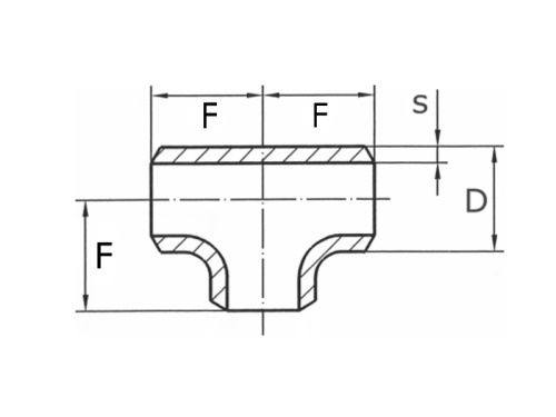
Jakost 1.4404
Stěna (s) 2,00 mm
Vnější průměr (D) 129,00 mm
F-strana 230,00 mm
Máme největší výběr nerezového materiálu skladem.
Plechy řežeme do konkrétních tvarů.
Tyčový materiál dělíme dle potřeby.
Rádi Vám poradíme s výběrem.