T-kus dlouhý-EN 10253-1.4404: 156,0x3,0 (F=270,0)

T-kus dlouhý-EN 10253-1.4404: 156,0x3,0 (F=270,0)

Katalogové číslo: TR-156-030-N

Jakost: 1.4404

Dostupnost: Na dotaz
ks
 
Poptat
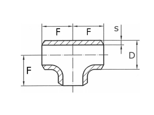
Jakost 1.4404
Stěna (s) 3,00 mm
Vnější průměr (D) 156,00 mm
F-strana 270,00 mm
Máme největší výběr nerezového materiálu skladem.
Plechy řežeme do konkrétních tvarů.
Tyčový materiál dělíme dle potřeby.
Rádi Vám poradíme s výběrem.