T-kus dlouhý-EN 10253-1.4404: 28,0x1,5 (F=64,0)

T-kus dlouhý-EN 10253-1.4404: 28,0x1,5 (F=64,0)

Katalogové číslo: TR-028-015-N

Jakost: 1.4404

Dostupnost: Na dotaz
ks
 
Poptat
Jakost 1.4404
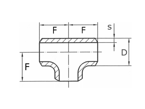
Stěna (s) 1,50 mm
Vnější průměr (D) 28,00 mm
F-strana 64,00 mm
Máme největší výběr nerezového materiálu skladem.
Plechy řežeme do konkrétních tvarů.
Tyčový materiál dělíme dle potřeby.
Rádi Vám poradíme s výběrem.