T-kus dlouhý-EN 10253-1.4404: 44,5x2,0 (F=100,0)

T-kus dlouhý-EN 10253-1.4404: 44,5x2,0 (F=100,0)

Katalogové číslo: TR-044-020-N

Jakost: 1.4404

Dostupnost: Na dotaz
ks
 
Poptat
Jakost 1.4404
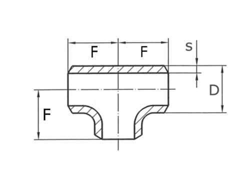
Stěna (s) 2,00 mm
Vnější průměr (D) 44,50 mm
F-strana 100,00 mm
Máme největší výběr nerezového materiálu skladem.
Plechy řežeme do konkrétních tvarů.
Tyčový materiál dělíme dle potřeby.
Rádi Vám poradíme s výběrem.