T-kus dlouhý-EN 10253-1.4541: 114,3x3,0 (F=210,0)

T-kus dlouhý-EN 10253-1.4541: 114,3x3,0 (F=210,0)

Katalogové číslo: TR-114-030-2

Jakost: 1.4541

Dostupnost: Na dotaz
ks
 
Poptat
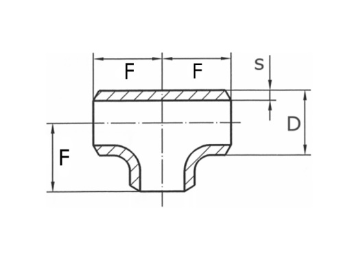
Jakost 1.4541
Stěna (s) 3,00 mm
Vnější průměr (D) 114,30 mm
F-strana 210,00 mm
Máme největší výběr nerezového materiálu skladem.
Plechy řežeme do konkrétních tvarů.
Tyčový materiál dělíme dle potřeby.
Rádi Vám poradíme s výběrem.