T-kus dlouhý-EN 10253-1.4541: 42,4x2,0 (F=96,0)

T-kus dlouhý-EN 10253-1.4541: 42,4x2,0 (F=96,0)

Katalogové číslo: TR-042-020-2

Jakost: 1.4541

Dostupnost: Na dotaz
ks
 
Poptat
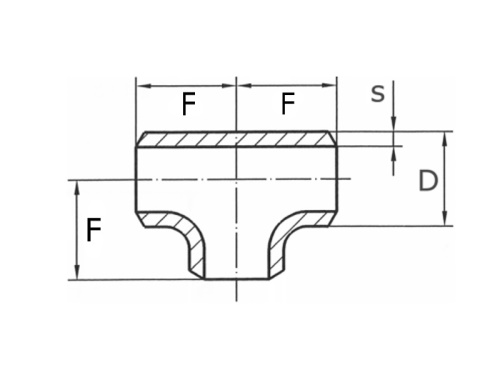
Jakost 1.4541
Stěna (s) 2,00 mm
Vnější průměr (D) 42,40 mm
F-strana 96,00 mm
Máme největší výběr nerezového materiálu skladem.
Plechy řežeme do konkrétních tvarů.
Tyčový materiál dělíme dle potřeby.
Rádi Vám poradíme s výběrem.