T-kus dlouhý-EN 10253-1.4541: 88,9x2,0 (F=172,0)

T-kus dlouhý-EN 10253-1.4541: 88,9x2,0 (F=172,0)

Katalogové číslo: TR-088-020-2

Jakost: 1.4541

Dostupnost: Na dotaz
ks
 
Poptat
Jakost 1.4541
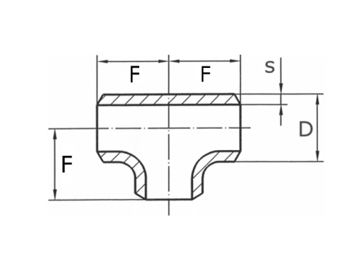
Stěna (s) 2,00 mm
Vnější průměr (D) 88,90 mm
F-strana 172,00 mm
Máme největší výběr nerezového materiálu skladem.
Plechy řežeme do konkrétních tvarů.
Tyčový materiál dělíme dle potřeby.
Rádi Vám poradíme s výběrem.