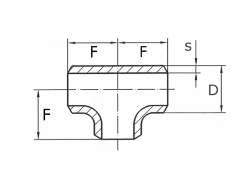
T-kus dlouhý-EN 10253-1.4571: 139,7x3,0 (F=248,0)

T-kus dlouhý-EN 10253-1.4571: 139,7x3,0 (F=248,0)

Katalogové číslo: TR-139-030-4

Jakost: 1.4571

Dostupnost: Na dotaz
ks
 
Poptat
Jakost 1.4571
Stěna (s) 3,00 mm
Vnější průměr (D) 139,70 mm
F-strana 248,00 mm
Máme největší výběr nerezového materiálu skladem.
Plechy řežeme do konkrétních tvarů.
Tyčový materiál dělíme dle potřeby.
Rádi Vám poradíme s výběrem.