T-kus dlouhý-EN 10253-1.4571: 168,3x3,0 (F=286,0)

T-kus dlouhý-EN 10253-1.4571: 168,3x3,0 (F=286,0)

Katalogové číslo: TR-168-030-4

Jakost: 1.4571

Dostupnost: Na dotaz
ks
 
Poptat
 
Jakost 1.4571
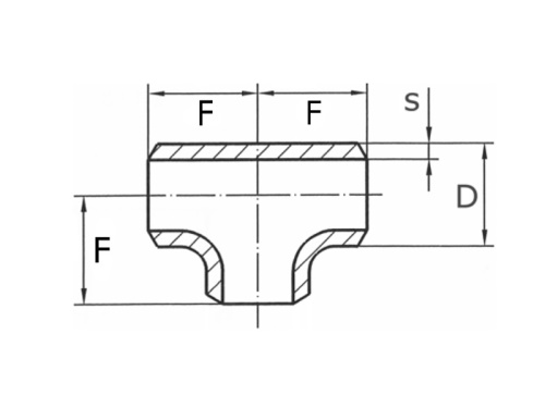
Stěna (s) 3,00 mm
Vnější průměr (D) 168,30 mm
F-strana 286,00 mm
Máme největší výběr nerezového materiálu skladem.
Plechy řežeme do konkrétních tvarů.
Tyčový materiál dělíme dle potřeby.
Rádi Vám poradíme s výběrem.