T-kus dlouhý-EN 10253-1.4571: 20,0x2,0 (F=40,0)

T-kus dlouhý-EN 10253-1.4571: 20,0x2,0 (F=40,0)

Katalogové číslo: TR-020-020-4

Jakost: 1.4571

Dostupnost: Na dotaz
ks
 
Poptat
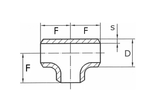
Jakost 1.4571
Stěna (s) 2,00 mm
Vnější průměr (D) 20,00 mm
F-strana 40,00 mm
Máme největší výběr nerezového materiálu skladem.
Plechy řežeme do konkrétních tvarů.
Tyčový materiál dělíme dle potřeby.
Rádi Vám poradíme s výběrem.