T-kus dlouhý-EN 10253-1.4571: 30,0x2,0 (F=60,0)

T-kus dlouhý-EN 10253-1.4571: 30,0x2,0 (F=60,0)

Katalogové číslo: TR-030-020-4

Jakost: 1.4571

Dostupnost: Na dotaz
ks
 
Poptat
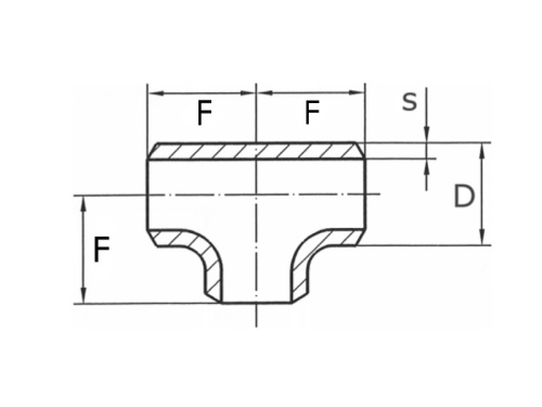
Jakost 1.4571
Stěna (s) 2,00 mm
Vnější průměr (D) 30,00 mm
F-strana 60,00 mm
Máme největší výběr nerezového materiálu skladem.
Plechy řežeme do konkrétních tvarů.
Tyčový materiál dělíme dle potřeby.
Rádi Vám poradíme s výběrem.