T-kus dlouhý-EN 10253-1.4571: 42,4x2,0 (F=96,0)

T-kus dlouhý-EN 10253-1.4571: 42,4x2,0 (F=96,0)

Katalogové číslo: TR-042-020-4

Jakost: 1.4571

Dostupnost: Na dotaz
ks
 
Poptat
 
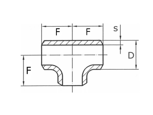
Jakost 1.4571
Stěna (s) 2,00 mm
Vnější průměr (D) 42,40 mm
F-strana 96,00 mm
Máme největší výběr nerezového materiálu skladem.
Plechy řežeme do konkrétních tvarů.
Tyčový materiál dělíme dle potřeby.
Rádi Vám poradíme s výběrem.