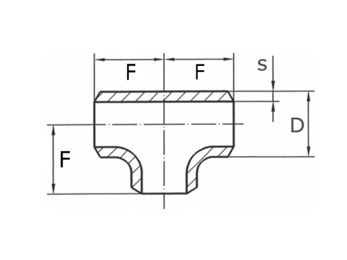
T-kus dlouhý-EN 10253-1.4571: 60,3 x 2,9 (F=128,0)

T-kus dlouhý-EN 10253-1.4571: 60,3 x 2,9 (F=128,0)

Katalogové číslo: TR-060-029-4

Jakost: 1.4571

Dostupnost: Na dotaz
ks
 
Poptat
 
Jakost 1.4571
Vnější průměr (D) 60,30 mm
F-strana 128,00 mm
Máme největší výběr nerezového materiálu skladem.
Plechy řežeme do konkrétních tvarů.
Tyčový materiál dělíme dle potřeby.
Rádi Vám poradíme s výběrem.