T-kus dlouhý-EN 10253-1.4571: 88,9x2,5 (F=172,0)

T-kus dlouhý-EN 10253-1.4571: 88,9x2,5 (F=172,0)

Katalogové číslo: TR-088-025-4

Jakost: 1.4571

Dostupnost: Na dotaz
ks
 
Poptat
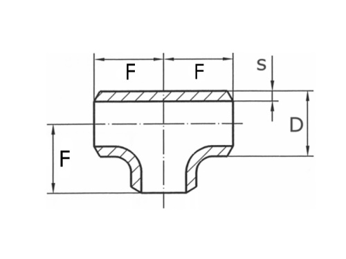
Jakost 1.4571
Stěna (s) 2,50 mm
Vnější průměr (D) 88,90 mm
F-strana 172,00 mm
Máme největší výběr nerezového materiálu skladem.
Plechy řežeme do konkrétních tvarů.
Tyčový materiál dělíme dle potřeby.
Rádi Vám poradíme s výběrem.