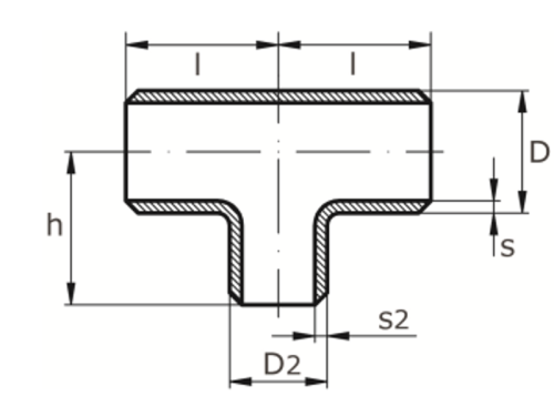
T-kus red. bezešvý - 1.4571: 48,3/21,3 x 2,6/2,0

T-kus red. bezešvý - 1.4571: 48,3/21,3 x 2,6/2,0

Katalogové číslo: TBR-048-021-4

Dostupnost: Na dotaz
ks
 
Poptat
 
Máme největší výběr nerezového materiálu skladem.
Plechy řežeme do konkrétních tvarů.
Tyčový materiál dělíme dle potřeby.
Rádi Vám poradíme s výběrem.