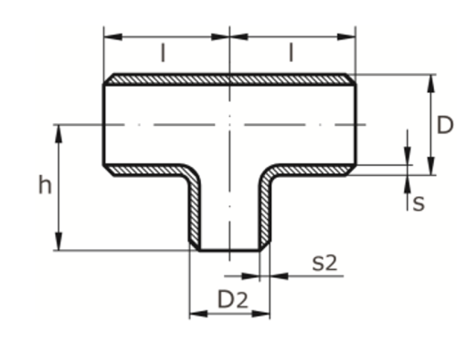
T-kus red. bezešvý - 1.4571: 88,9/60,3 x 3,2/2,9
Nerezový bezešvý T-kus, EN 10253-4/A, jakost 1.4571
Rozměr (h) 76,00 mm
Délka (l) 86,00 mm
Stěna (s) 3,20 mm
Vnější průměr (D) 88,90 mm
Vnější průměr (D2) 60,30 mm
Stěna (s2) 2,90 mm
Máme největší výběr nerezového materiálu skladem.
Plechy řežeme do konkrétních tvarů.
Tyčový materiál dělíme dle potřeby.
Rádi Vám poradíme s výběrem.