CLAMP těsnění - EPDM: DN 200/204
CLAMP těsnění z materiálu EPDM pro DIN řadu hrdel, dimenze DN 200.
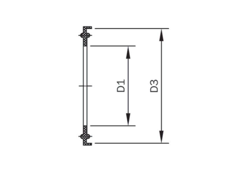
Dimenze DN 200
Materiál těsnění EPDM
Průměr D1 200,20 mm
Průměr D3 233,50 mm
Pro talířek o průměru 233,50 mm
Máme největší výběr nerezového materiálu skladem.
Plechy řežeme do konkrétních tvarů.
Tyčový materiál dělíme dle potřeby.
Rádi Vám poradíme s výběrem.