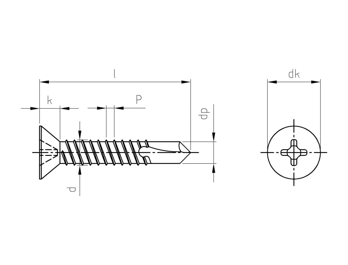
DIN 7504 A4 O 4,8X22 H
Self drilling screws with countersunk head, type O
Jakost A4
Pohon PH2
Mechanika Phillips
Druh závitu Závit do plechu
Tvar hlavy Se zápustnou hlavou
Výška hlavy (k) 3,00 mm
Průměr (d) 4,80 mm
Průměr hlavy (dk) 9,30 mm
Délka (l) 22,00 mm
Máme největší výběr nerezového materiálu skladem.
Plechy řežeme do konkrétních tvarů.
Tyčový materiál dělíme dle potřeby.
Rádi Vám poradíme s výběrem.