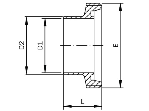
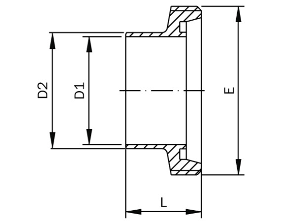
Hrdlo závitové-dlouhé-DIN 11851-leštěné-1.4301: DN 15/18
 Nerezové závitové hrdlo pro potravinářské rozvody v dimenzi DN 15, rozměr připojení 18x1,5mm, jakost materiálu 1.4301, povrchové provedení leštěné.
Dimenze DN 15
E Rd 34 x 1/8"
Průměr D1 15,00 mm
Průměr D2 18,00 mm
L 21,00 mm
Máme největší výběr nerezového materiálu skladem.
Plechy řežeme do konkrétních tvarů.
Tyčový materiál dělíme dle potřeby.
Rádi Vám poradíme s výběrem.