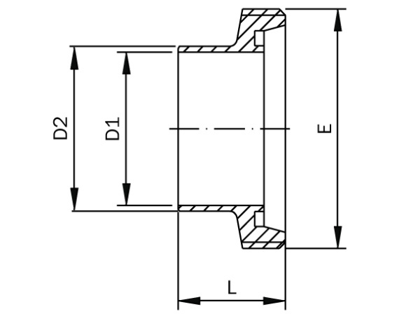
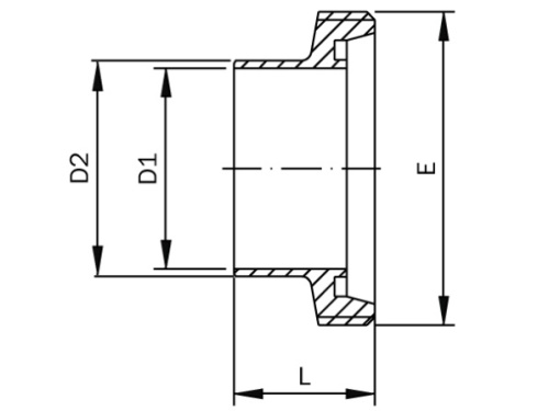
Hrdlo závitové-dlouhé-DIN 11851-leštěné-1.4301: DN 40/40
   Nerezové závitové hrdlo pro potravinářské rozvody v dimenzi DN 40, rozměr připojení 40x1,5mm, jakost materiálu 1.4301, povrchové provedení leštěné.
Dimenze DN 40
E Rd 65 x 1/6"
Průměr D1 37,00 mm
Průměr D2 40,00 mm
L 33,00 mm
Máme největší výběr nerezového materiálu skladem.
Plechy řežeme do konkrétních tvarů.
Tyčový materiál dělíme dle potřeby.
Rádi Vám poradíme s výběrem.