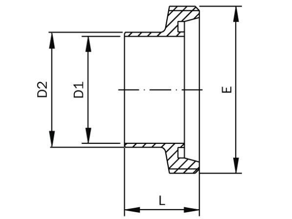
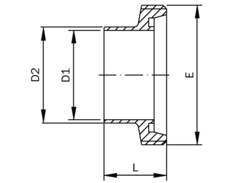
Hrdlo závitové-dlouhé-DIN 11851-leštěné-1.4301: DN 50/52
Nerezové závitové hrdlo pro potravinářské rozvody v dimenzi DN 50, rozměr připojení 52x1,5mm, jakost materiálu 1.4301, povrchové provedení leštěné.
Dimenze DN 50
E Rd 78 x 1/6"
Průměr D1 49,00 mm
Průměr D2 52,00 mm
L 35,00 mm
Máme největší výběr nerezového materiálu skladem.
Plechy řežeme do konkrétních tvarů.
Tyčový materiál dělíme dle potřeby.
Rádi Vám poradíme s výběrem.