Klapka zpětná přivařovací, typ 381, 3-dílná, ATEX - 1.4408 - 5/4"

Klapka zpětná přivařovací, typ 381, 3-dílná, ATEX - 1.4408 - 5/4"

Katalogové číslo: 381032

Dostupnost: Na dotaz
ks
 
Poptat
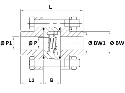
Zpětný ventil diskový, třídílný, vnitřní závit BSP, pro pitnou vodu, chemický a farmaceutický průmysl, petrochemický průmysl, hydraulické instalace, stlačený vzduch.
Typ z nerezové oceli s těsněním PTFE. Pro všechny polohy.
Odnímatelná střední část pro snadnou údržbu.
Těsnost kov na kov (stupeň netěsnosti dle normy API 598).
Dimenze 5/4"
L 92,00 mm
Máme největší výběr nerezového materiálu skladem.
Plechy řežeme do konkrétních tvarů.
Tyčový materiál dělíme dle potřeby.
Rádi Vám poradíme s výběrem.