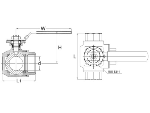
Kohout kulový, 3-cestný, ISO 5211, L-port, 1.4408: 6/4"
Trojcestný kulový kohout - vrtání "L"
Trubkové závity podle ASME B1.20.1 BS21.DIN2999/259
Redukovaný průtok
Celonerezové provedení
1000PSI (69 Bar) W.O.G.
Tělo a koule vyrobeny z materiálu ASTM-A351-CF8M
Bezpečnostní západka - uzamčení páky
Montážní příruba pro pohon (ISO 5211)
Inspekční certifikát API598, EN12266
Průměr (d) 32,00 mm
L1 107,00 mm
L 126,00 mm
W 188,00 mm
Máme největší výběr nerezového materiálu skladem.
Plechy řežeme do konkrétních tvarů.
Tyčový materiál dělíme dle potřeby.
Rádi Vám poradíme s výběrem.