Kroužek lemový, EN1092-1 typ 37, PN10, 1.4404: 168,3 x 3,0
Nerezový lemový kroužek dle EN1092-1 typ 37, pro trubku 168,3x3mm, jakost 1.4404.
Jakost 1.4404
Tlaková třída PN10
Pro průměr trubky 168,30 mm
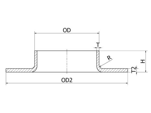
H 25,00 mm
T 3,00 mm
OD1 212,00 mm
T2 4,00 mm
OD 168,30 mm
Máme největší výběr nerezového materiálu skladem.
Plechy řežeme do konkrétních tvarů.
Tyčový materiál dělíme dle potřeby.
Rádi Vám poradíme s výběrem.