Lemový kroužek, EN1092-1, typ 33, PN10, 1.4301/7: 104x2
Nerezový lemový kroužek dle EN1092-1 typ 33, pro trubku 104x2mm, jakost 1.4301.
Jakost 1.4301
Typ Metric
Pro průměr trubky 104,00 mm
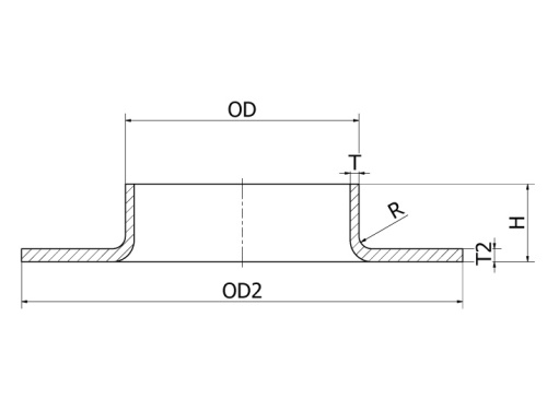
H 16,00 mm
T 2,00 mm
OD 104,00 mm
OD2 158,00 mm
R 3,00 mm
Máme největší výběr nerezového materiálu skladem.
Plechy řežeme do konkrétních tvarů.
Tyčový materiál dělíme dle potřeby.
Rádi Vám poradíme s výběrem.