Lemový kroužek, EN1092-1, typ 33, PN10, 1.4301/7: 139,7x4
Nerezový lemový kroužek dle EN1092-1 typ 33, pro trubku 139,7x4mm, jakost 1.4301.
Jakost 1.4301
Typ ISO
Pro průměr trubky 139,70 mm
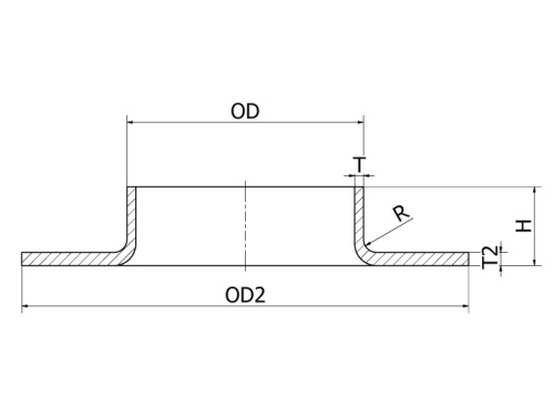
H 16,00 mm
T 4,00 mm
OD 139,70 mm
OD2 188,00 mm
R 4,00 mm
Máme největší výběr nerezového materiálu skladem.
Plechy řežeme do konkrétních tvarů.
Tyčový materiál dělíme dle potřeby.
Rádi Vám poradíme s výběrem.