Lemový kroužek, EN1092-1, typ 33, PN10, 1.4301/7: 156x3
Nerezový lemový kroužek dle EN1092-1 typ 33, pro trubku 156x3mm, jakost 1.4301.
Jakost 1.4301
Typ Metric
Pro průměr trubky 156,00 mm
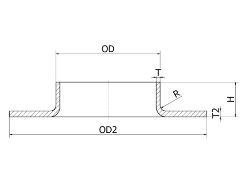
H 20,00 mm
T 3,00 mm
OD 156,00 mm
OD2 212,00 mm
R 4,00 mm
Máme největší výběr nerezového materiálu skladem.
Plechy řežeme do konkrétních tvarů.
Tyčový materiál dělíme dle potřeby.
Rádi Vám poradíme s výběrem.