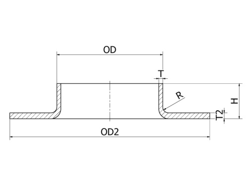
Lemový kroužek, EN1092-1, typ 33, PN10, 1.4301/7: 159x3
 
Jakost 1.4301
Pro průměr trubky 159,00 mm
T 3,00 mm
Máme největší výběr nerezového materiálu skladem.
Plechy řežeme do konkrétních tvarů.
Tyčový materiál dělíme dle potřeby.
Rádi Vám poradíme s výběrem.