Lemový kroužek, EN1092-1, typ 33, PN10, 1.4301/7: 406,4x3
Nerezový lemový kroužek dle EN1092-1 typ 33, pro trubku 406,4x3mm, jakost 1.4301.
Jakost 1.4301
Typ ISO
Pro průměr trubky 406,40 mm
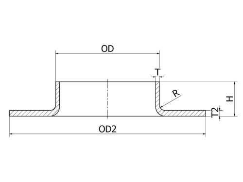
H 21,00 mm
T 3,00 mm
OD 406,40 mm
OD2 482,00 mm
R 5,00 mm
Máme největší výběr nerezového materiálu skladem.
Plechy řežeme do konkrétních tvarů.
Tyčový materiál dělíme dle potřeby.
Rádi Vám poradíme s výběrem.