Lemový kroužek, EN1092-1, typ 33, PN10, 1.4301/7: 42,4x2
Nerezový lemový kroužek dle EN1092-1 typ 33, pro trubku 42,4x2mm, jakost 1.4301.
Jakost 1.4301
Typ ISO
Pro průměr trubky 42,40 mm
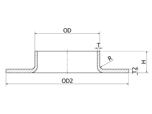
H 10,00 mm
T 2,00 mm
OD 42,40 mm
OD2 78,00 mm
R 3,00 mm
Máme největší výběr nerezového materiálu skladem.
Plechy řežeme do konkrétních tvarů.
Tyčový materiál dělíme dle potřeby.
Rádi Vám poradíme s výběrem.