Lemový kroužek, EN1092-1, typ 33, PN10, 1.4404: 154x2
Nerezový lemový kroužek dle EN1092-1 typ 33, pro trubku 154x2mm, jakost 1.4404.
Jakost 1.4404
Typ Metric
Pro průměr trubky 154,00 mm
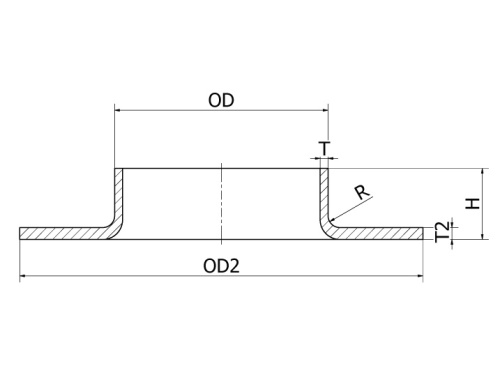
H 19,00 mm
T 2,00 mm
OD 154,00 mm
OD2 212,00 mm
R 3,00 mm
Máme největší výběr nerezového materiálu skladem.
Plechy řežeme do konkrétních tvarů.
Tyčový materiál dělíme dle potřeby.
Rádi Vám poradíme s výběrem.