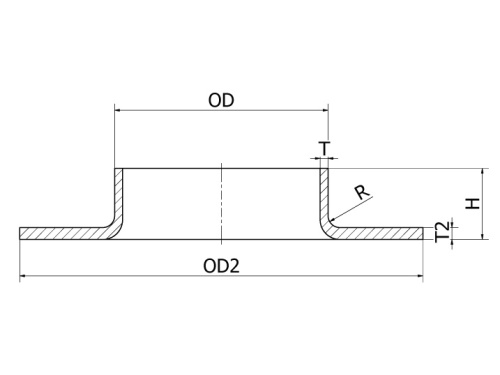
Lemový kroužek, EN1092-1, typ 33, PN10, 1.4404: 219,1x4
Nerezový lemový kroužek dle EN1092-1 typ 33, pro trubku 219,1x4mm, jakost 1.4404.
Jakost 1.4404
Pro průměr trubky 219,10 mm
Máme největší výběr nerezového materiálu skladem.
Plechy řežeme do konkrétních tvarů.
Tyčový materiál dělíme dle potřeby.
Rádi Vám poradíme s výběrem.