Lemový kroužek, EN1092-1, typ 33, PN10, 1.4404: 457,2x3
Nerezový lemový kroužek dle EN1092-1 typ 33, pro trubku 457,2x3mm, jakost 1.4404.
Jakost 1.4404
Typ ISO
Pro průměr trubky 457,20 mm
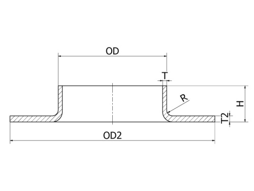
H 25,00 mm
T 3,00 mm
OD 457,20 mm
OD2 532,00 mm
R 5,00 mm
Máme největší výběr nerezového materiálu skladem.
Plechy řežeme do konkrétních tvarů.
Tyčový materiál dělíme dle potřeby.
Rádi Vám poradíme s výběrem.