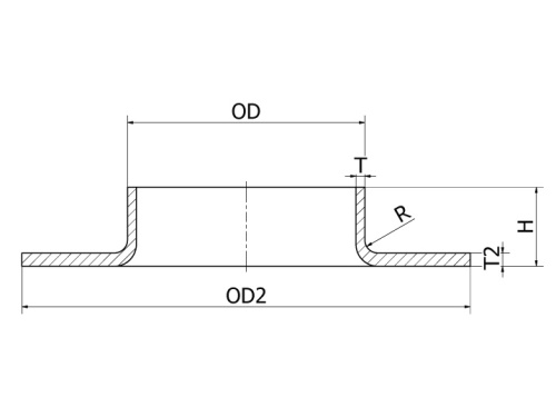
Lemový kroužek, EN1092-1, typ 33, PN10, 1.4404: 53x1,5
Nerezový lemový kroužek dle EN1092-1 typ 33, pro trubku 53x1,5mm, jakost 1.4404.
Jakost 1.4404
Pro průměr trubky 53,00 mm
Máme největší výběr nerezového materiálu skladem.
Plechy řežeme do konkrétních tvarů.
Tyčový materiál dělíme dle potřeby.
Rádi Vám poradíme s výběrem.