Lemový kroužek, EN1092-1, typ 33, PN10, 1.4404: 60,3x3
Nerezový lemový kroužek dle EN1092-1 typ 33, pro trubku 60,3x3mm, jakost 1.4404.
Jakost 1.4404
Typ ISO
Pro průměr trubky 60,30 mm
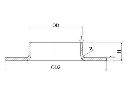
H 12,00 mm
T 3,00 mm
OD 60,30 mm
OD2 102,00 mm
R 3,00 mm
Máme největší výběr nerezového materiálu skladem.
Plechy řežeme do konkrétních tvarů.
Tyčový materiál dělíme dle potřeby.
Rádi Vám poradíme s výběrem.