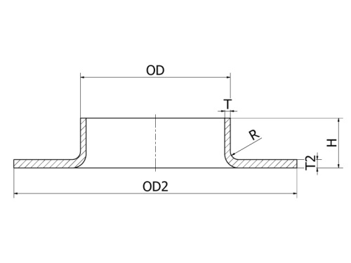
Lemový kroužek, podobný DIN 2642, PN10, 1.4404: 156x3
 
Jakost 1.4404
Pro průměr trubky 156,00 mm
OD 156,00 mm
T2 3,00 mm
Máme největší výběr nerezového materiálu skladem.
Plechy řežeme do konkrétních tvarů.
Tyčový materiál dělíme dle potřeby.
Rádi Vám poradíme s výběrem.