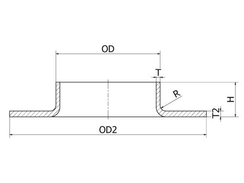
Lemový kroužek, podobný DIN 2642, PN10, 1.4404: 21,3x2
 
Jakost 1.4404
Pro průměr trubky 21,30 mm
T2 2,00 mm
OD 21,30 mm
Máme největší výběr nerezového materiálu skladem.
Plechy řežeme do konkrétních tvarů.
Tyčový materiál dělíme dle potřeby.
Rádi Vám poradíme s výběrem.