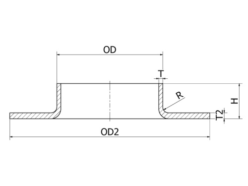
Lemový kroužek, podobný DIN 2642, PN10, 1.4404: 33,7x3
 
Jakost 1.4404
Pro průměr trubky 33,70 mm
OD 33,70 mm
T2 3,00 mm
Máme největší výběr nerezového materiálu skladem.
Plechy řežeme do konkrétních tvarů.
Tyčový materiál dělíme dle potřeby.
Rádi Vám poradíme s výběrem.