Nerezový šroub ISO 14581 A2 M 8X12 TX45
Countersunk head screws with six lobe drive
Jakost A2
Pohon TX45
Mechanika Vnitřní šestiramenná růžice (Torx)
Druh závitu Metrický
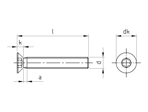
Tvar hlavy Se zápustnou hlavou
Výška hlavy (k) 4,65 mm
Pevnost v tahu 500,00 N/mm2
Průměr (d) 8,00 mm
Průměr hlavy (dk) 15,80 mm
Délka (l) 12,00 mm
Máme největší výběr nerezového materiálu skladem.
Plechy řežeme do konkrétních tvarů.
Tyčový materiál dělíme dle potřeby.
Rádi Vám poradíme s výběrem.