Nerezový šroub ISO 14581 A4 M 2X3 TX6
Countersunk head screws with six lobe drive
Jakost A4
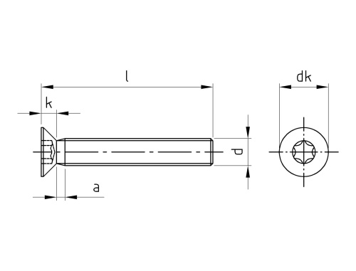
Pohon TX6
Mechanika Vnitřní šestiramenná růžice (Torx)
Druh závitu Metrický
Tvar hlavy Se zápustnou hlavou
Výška hlavy (k) 1,20 mm
Pevnost v tahu 500,00 N/mm2
Průměr (d) 2,00 mm
Průměr hlavy (dk) 3,80 mm
Délka (l) 3,00 mm
Máme největší výběr nerezového materiálu skladem.
Plechy řežeme do konkrétních tvarů.
Tyčový materiál dělíme dle potřeby.
Rádi Vám poradíme s výběrem.