Nerezový šroub ISO 14581 A4 M 6X18 TX30
Countersunk head screws with six lobe drive
Jakost A4
Pohon TX30
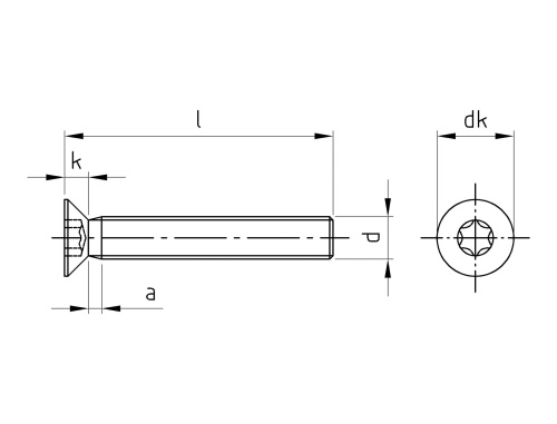
Mechanika Vnitřní šestiramenná růžice (Torx)
Druh závitu Metrický
Tvar hlavy Se zápustnou hlavou
Výška hlavy (k) 3,30 mm
Pevnost v tahu 560,00 N/mm2
Průměr (d) 6,00 mm
Průměr hlavy (dk) 11,30 mm
Délka (l) 18,00 mm
Máme největší výběr nerezového materiálu skladem.
Plechy řežeme do konkrétních tvarů.
Tyčový materiál dělíme dle potřeby.
Rádi Vám poradíme s výběrem.