Nerezový šroub ISO 14583 A4 M 2,5X25 TX8
Pan head screws with six lobe drive
Jakost A4
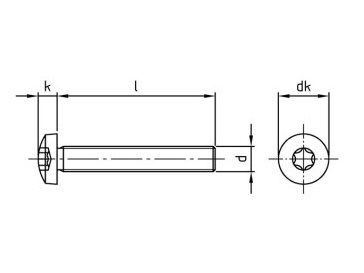
Pohon TX8
Mechanika Vnitřní šestiramenná růžice (Torx)
Druh závitu Metrický
Tvar hlavy S půlkulatou hlavou
Výška hlavy (k) 2,10 mm
Pevnost v tahu 500,00 N/mm2
Průměr (d) 2,50 mm
Průměr hlavy (dk) 5,00 mm
Délka (l) 25,00 mm
Máme největší výběr nerezového materiálu skladem.
Plechy řežeme do konkrétních tvarů.
Tyčový materiál dělíme dle potřeby.
Rádi Vám poradíme s výběrem.