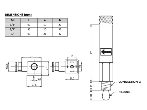
Průtkový senzor FS 20, 550-610l/h, AISI 316, BSP: G 3/4"
VLASTNOSTI
Průtokový spínač FS 20 indikuje přítomnost nebo absenci průtoku uvnitř potrubí. Jeho robustní konstrukce umožňuje použití pro agresivní kapaliny, v širokém rozsahu teplot a při vysokých tlacích.

Ochrana: Stupeň krytí IP65 zajišťuje provoz v obzvláště vlhkém nebo prašném prostředí.

Funkce spínače: Reverzibilní spínač slouží k sepnutí nebo rozepnutí jakéhokoli elektrického kontaktního zařízení v rozsahu spínacího průtoku (intervenčního průtoku).

Odolnost: Navrženo pro náročné průmyslové podmínky (vysoký tlak, široké teplotní rozpětí).
Dimenze G 3/4
Průtok 550-610 l/h
Máme největší výběr nerezového materiálu skladem.
Plechy řežeme do konkrétních tvarů.
Tyčový materiál dělíme dle potřeby.
Rádi Vám poradíme s výběrem.