T-kus krátký, EN 10253, 1.4301/07: 88,9x2
Nerezový krátký T-kus, vyrobený ze svařované trubky s rozměrem 88,9mm a stěnou 2mm.
Jakost 1.4301
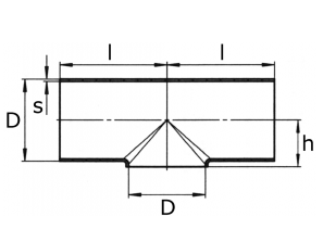
L 172,00 mm
Délka (l) 86,00 mm
Stěna (s) 2,00 mm
Vnější průměr (D) 88,90 mm
Máme největší výběr nerezového materiálu skladem.
Plechy řežeme do konkrétních tvarů.
Tyčový materiál dělíme dle potřeby.
Rádi Vám poradíme s výběrem.