T-kus varný-red.-DIN 11852-kovově lesklý-1.4301: 104x2/85x2
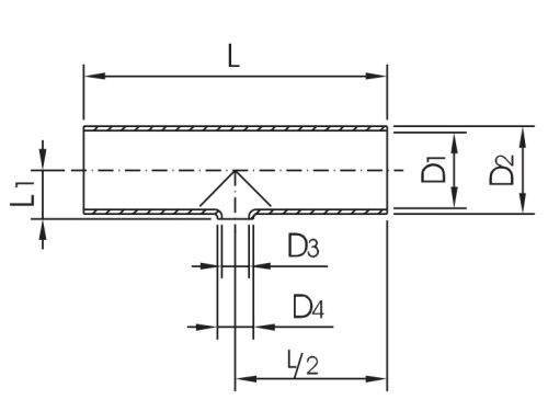
T-kus varný, redukovaný, DIN 11852, kovově lesklý, materiál 1.4301, rozměr 104/85x2.
Jakost 1.4301
Dimenze 1 DN 100
Dimenze 2 DN 80
Průměr D1 100,00 mm
Průměr D2 104,00 mm
L1 56,00 mm
L 200,00 mm
Průměr D4 85,00 mm
Průměr D5 81,00 mm
Máme největší výběr nerezového materiálu skladem.
Plechy řežeme do konkrétních tvarů.
Tyčový materiál dělíme dle potřeby.
Rádi Vám poradíme s výběrem.