Ventil šikmý s pneupohonem - NC, T80 - 1.4404: 2"

Ventil šikmý s pneupohonem - NC, T80 - 1.4404: 2"

Katalogové číslo: 1430408A

Dostupnost: Do 10 dnů
ks
 
Poptat

Pneumatický nerezový ventil HF je určen pro automatické uzávěry v potrubních systémech.

Klíčové Vlastnosti:

  • Nízká Ztráta Tlaku: Šikmé tělo s plným průchodem zajišťuje velmi nízké tlakové ztráty proudícího média
  • Materiál: Tělo a vnitřní části jsou vyrobeny z nerezové oceli, což umožňuje použití ventilu s velkým množstvím médií při tlacích do 16 bar a teplotách do 180°C
  • Pohon (Hlava): Pohon je rovněž celonerezový, což umožňuje instalaci ventilu i v agresivním prostředí a/nebo v prostředích s řízenou hygienou, což je typické pro potravinářský a farmaceutický průmysl
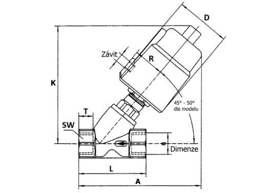
Průtok Plný
Dimenze 2"
Závit 1/4"
L 146,00 mm
D 98,00 mm
K 195,00 mm
A 241,00 mm
Máme největší výběr nerezového materiálu skladem.
Plechy řežeme do konkrétních tvarů.
Tyčový materiál dělíme dle potřeby.
Rádi Vám poradíme s výběrem.