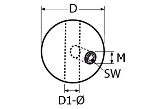
Wire rope ball stopper, grinded surface A4 3mm M4 15mm
Kuličková svěrka pro použití v elektrotechnice, stavebnictví, automobilovém průmyslu nebo při kutilských projektech, kde je třeba zabránit sklouznutí, uvolnění nebo nekontrolovanému rozmotání konců drátů.
D 15,00 mm
D1 3,00 mm
Máme největší výběr nerezového materiálu skladem.
Plechy řežeme do konkrétních tvarů.
Tyčový materiál dělíme dle potřeby.
Rádi Vám poradíme s výběrem.